Принцип работы источника бесперебойного питания
К сожалению, так еще случается, а где-то это случается довольно-таки часто, дома и здания обесточиваются. Такое может происходить по разным причинам: аварии на подстанциях, обрыв проводов, повреждения кабелей и прочее. Так...
По подсчетам IDC, продажи высокопроизводительных серверов за год выросли на 3,9%
Аналитики компании IDC подготовили отчет о ситуации на рынке высокопроизводительных серверов в третьем квартале 2016 года. По их подсчетам, рынок этих изделий в денежном выражении за год увеличился на 3,9% —...
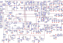
Схема компьютерного блока питания мощностью 200 ватт: описание
В настоящее время каждый человек пользуется различными гаджетами, которые дают возможность осуществления самых разных действий и деятельностей. При этом все мы так к ним привыкли, что просто не представляем своей жизни...
По подсчетам IDC, рынок серверов в первом квартале 2016 года сократился на 3,6%
Специалисты аналитической компании IDC подвели итоги первого квартала текущего года на рынке серверов. По их подсчетам, объем рынка в денежном выражении составил 12,4 млрд долларов. Это на 3,6% меньше, чем год...
Конструктор сайтов TOBIZ: как создать сайт одностраничник
Одностраничный сайт представляет собой некоторый сайт, который состоит всего лишь из 1 странички, причем на одном URL адресе. При том варианте, когда ваша цель - это действия по раскрутке некоторого вида...
Fulfillment — лёгкий старт для вашего онлайн-магазина!
Озаботились поиском надежного фулфилмент-сервиса? К этому решению со временем приходят многие представители электронной коммерции. Доля интернет-магазинов, которые используют услуги fulfillment, в России постоянно увеличивается. При этом далеко не все владельцы онлайн-бизнеса...
Сетевое хранилище Qnap ES1640dc v2 получило шесть портов 10Gbps Ethernet
Компания Qnap представила обновленное сетевое хранилище ES1640dc v2 формфактора 3U, рассчитанное на работу в сетях предприятий, где важна высокая отказоустойчивость, минимальное время простоя и высокая нагрузочная способность. Улучшения в новой версии...
Fibocom выпускает самый тонкий модуль LTE Cat 1 для интернета вещей с резервным...
Компания Fibocom Wireless, специализирующаяся на выпуске беспроводных модулей для интернета вещей, представила модель L816-AM, которую производитель называет самым тонким модулем LTE Cat 1 с резервным подключением 3G/2G. Толщина указанного модуля равна...
Основные правила регистрации доменов
Большинство пользователей интернета задумываются о том, какие правила существуют при регистрации доменов. Обратите внимание на то, что регистрация доменов в Украине по ссылке https://cityhost.ua/domain/, воспользовавшись которой, вы упростите себе поиск. В...
Вулкан Россия игровые автоматы играть сейчас
Казино, как и все азартные игры в общем, если вы играете на реальные деньги, дает вам возможность получить больше. То есть если пользоваться покером, то у других игроков можно выиграть....





























